- 上海自動化儀表有限公司分廠
- 上海自動化儀表一廠
- 上海自動化儀表三廠
- 上海自動化儀表四廠
- 上海自動化儀表五廠
- 上海自動化儀表六廠
- 上海自動化儀表七廠
- 上海自動化儀表九廠
- 上海自動化儀表十一廠
- 上海大華儀表廠
- 上海遠東儀表廠
- 上海轉速儀表廠
- 上海自一船用儀表廠
聯(lián)系方式
上海自動化儀表集團有限公司
辦公地址:上海市靜安區(qū)汶水路210號
郵政編碼:201615
聯(lián)系電話:021-56697188,021-33878550
移動電話:17802151818,18217128889
圖文傳真:021-33878550
網(wǎng)站地址:m.myysq.cn
郵箱:17802151818@163.com
Q96D-HC雙路雙指示頻率表
更新日期:1970年01月01日 操作:返回列表
產品名稱:Q96D-HC雙路雙指示頻率表
產品型號:
所屬分類:上海自一船用儀表廠
概要:
|
|
11 | |
|
|
Q96 Q72 Q48 Q190 Q144 Q240系列電量、非電量測量指示儀表系列 | |
|
|
Q96D-HC雙路雙指示頻率表 | |
|
|
0.5 | |
|
|
||
產品簡介
特性:
|
|
測量范圍
|
測量范圍
|
額定電壓
|
|
45-50-55Hz
55-60-65Hz
|
100V or 220V or 380V
|
|
350-400-450Hz
|
|
|
380-480Hz
|
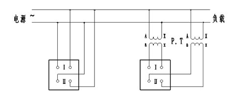
接線示意圖


產品庫
加微信
打電話